Technická elektrochemie

Činnost pracovní skupiny ve většině témat pokrývá celou oblast od základního výzkumu až po uvedení do praxe. Tematicky je orientována zejména na využití elektrochemie v energetice (využití vodíku jako energetického vektoru, jako paliva pro vodíkovou mobilitu, či jako surovinu pro dekarbonizaci průmyslu), ochraně životního prostředí (úprava a čištění odpadních vod), elektrochemickým membránovým procesům (elektrodialýza) a elektrochemické syntéze látek se zvláštním zaměřením na farmacii. Za tímto účelem je vedle řady moderních experimentálních metod využíváno rovněž také matematické modelování a počítačové simulace s pomocí moderního softwarového vybavení a výkonné výpočetní techniky. Výhody matematického a experimentálního přístupu se účinně kombinují, což významně urychluje proces poznání, popřípadě jeho uvedení do praxe. Pozornost je věnována jak popisu principů elektrochemických dějů, tak návrhu a optimalizaci průmyslových jednotek ve spolupráci s průmyslovými partnery.

 
 
 

Co studujeme?

Vodíkové technologie:

 
Alkalické systémy
Alkalické systémy
  • Studium vlastností iontově vodivých polymerů pro vodíkové technologie.
  • Příprava a charakterizace katalyzátorů pro reakce vodíku a kyslíku.
  • Příprava a charakterizace komponent pro palivové články a elektrolyzéry.
  • Konstrukce elektrolytických cel a pomocných zařízení okruhu alkalického elektrolyzéru vody.

Kontakt - doc. Jaromír Hnát

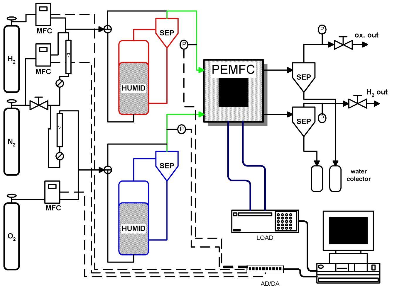
PEM systémy
PEM systémy
  • Vývoj palivových článků, elektrolyzérů vody a elektrochemických kompresorů vodíku
  • Charakterizace nanokatalyzátorů a membrán
  • Studium degradace nanokatalyzátorů, membrán a systémových komponent
  • Testování výkonu a stability elektrochemických cel a svazků

Kontakt - Dr. Martin Prokop

Vysokoteplotní SOC systémy
Vysokoteplotní SOC systémy
  • Vývoj vysokoteplotních palivových článků a (ko-)elektrolyzérů vody
  • Příprava a charakterizace katalyzátorů a funčních keramických kompozitů
  • Výzkum základních dějů
    • Studium degradačních dějů na fázových rozhraních & reakčních mechanismů
    • Matematické modely systému

Kontakt - Dr. Michal Carda

 

Další témata:

 
 
 

Publikační aktivita skupiny:

 
 
 

Personální obsazení skupiny

  ☎ 
prof. Dr. Ing. Karel Bouzek Karel.Bouzek@vscht.cz 4019 A25a
doc. Ing. Tomáš Bystroň, Ph.D. Tomas.Bystron@vscht.cz 4272 A23
doc. Ing. Jaromír Hnát, Ph.D. Jaromir.Hnat@vscht.cz 4009 AS75
doc. Ing. Martin Paidar, Ph.D. Martin.Paidar@vscht.cz 3802 A23a
Ing. Roman Kodým, Ph.D. Roman.Kodym@vscht.cz 3809 AS62
Ing. Daniel Budáč, Ph.D. Daniel.Budac@vscht.cz 4208 A30
Ing. Michal Carda, Ph.D. Michal.Carda@vscht.cz 4272 A23
Ing. Karel Denk, Ph.D. Karel.Denk@vscht.cz 4009 AS75a
Ing. Monika Drakselová, Ph.D. Monika.Drakselova@vscht.cz 3809 AS62
Ing. Michaela Plevová, Ph.D.   Michaela.Plevova@vscht.cz 4482 A20
Ing. Martin Prokop, Ph.D. Martin.Prokop@vscht.cz 4272 A23

Doktorandi skupiny

  ☎ 
Ing. Tereza Bautkinová Tereza.Bautkinova@vscht.cz 4272 A23
Ing. Jan Dismas Buriánek Jan.Dismas.Burianek@vscht.cz 4272 A23
Ing. Vojtěch Domín
Vojtech.Domin@vscht.cz 4315 AS37
Ing. Miroslav Hala Miroslav.Hala@vscht.cz 4315 A37
Ing. Kateřina Hradečná
Katerina.Hradecna@vscht.cz 4008 AS75
Ing. Dita Hronová Dita.Hronova@vscht.cz
Ing. Tomáš Jedlička
Tomas.Jedlicka@vscht.cz 4482 A20
Ing. Martin Jirásko
Martin.Jirasko@vscht.cz 4272 A23
Ing. Vojtěch Masojídek
Vojtech.Masojidek@vscht.cz 4009 A75
Ing. Veronika Rečková Veronika.Reckova@vscht.cz
M.Sc. Federico Dei Sommi Federico.Dei.Sommi@vscht.cz 3809
AS62
Ing. Patrik Švejda
Patrik.Svejda@vscht.cz 4272
A23